0898-08980898
浏览次数: 时间:2026-01-27 17:48:21
近年来大数据产业蓬勃发展,飞速增长的数据量引发了对数据处理需求和传输需求的爆发式增长,传统的并行接口随着通信速度的不断提升,多条紧挨的通道之间会出现严重的串扰和耦合,严重影响信号质量。而高速串行接口( SerDes) 采用一对差分线进行信号传输,抗噪声、抗干扰能力强,因此串行接口逐步取代并行接口,节约了信道和 I/O 管脚,消除了同步问题,成为了主流高速接口。在数据率飞速发展中,传统的不归零码( Non Re-turn Zero,NRZ) 调制在 100 Gibit / s 以上的高速串口应用中信道衰减影响凸出,因此,四电平脉冲幅度调制串行接口逐渐取代 NRZ,其奈奎斯特频率是 NRZ 的一半,较好地解决了数据在强信道衰减下误码过高的问题。
在这样的背景下,对高速 SerDes 进行深入研究。设计基于 Duo-binary PAM4 编码技术的 112 Gibit / s 的 Ser-Des 发射机,Duo-binary PAM4 编码其奈奎斯特频率更是PAM4 的一半,显著减少了面临的信道损耗。本文概括介绍了发射机总体电路架构,具体分析发射机的关键模块,并给出仿线 发射机电路架构
发射机是 SerDes 系统的数据发射端,用于将处理器、存储器或者传感器发出的多路并行数据串行化,并通过信道传输到接收机。实现高速数据的串行与均衡是发射机的主要任务。本文设计的发射机采用 DSP +DAC 架构,主要由预编码模块、DB( Duo-binary) 模块、64∶ 4 并串转换模块、1 /4 速率的四合一高速合路器、SST驱动电路组成,其系统框图见图 1。
电路接收由伪随机码产生的 64 路 875 Mibit /s 的并行信号,经过预编码模块来消除前后码元的相关性,后经过 DB 模块产生双二进制信号,64∶ 4 并串转换模块将64 路 875 Mibit /s 合成 14 Gibit /s 的高速串行信号,该模块所需的时钟由锁相环( Phase Locked Loop,PLL) 产生的 14 GHz 时钟信号分频提供; 之后利用相位相差 90°的时钟产生输出脉冲,并将 4 路数据串化成 1 路高速的数据流,最后由驱动模块实现驱动,输出 112 Gibit /s Duo-binary PAM4 信号。
当前主流的调制方式为 NRZ 与 PAM4 调制,NRZ 调制使用高低电平“0”和“1”传输信号,NRZ 调制 1UI 只能传输 1 bit 的“0”或“1”,而 PAM-4 调制则采用 4 个电平“0”,“1”,“2”,“3”( 对应二进制编码为“00”,“01”,“10”,“11”) ,在 1UI 的时间内能传输 2 bit 的信息。相比于 NRZ 调制,PAM4 实现了加倍的数据传输速率,并且在相同速率下,PAM4 的奈奎斯特频率是 NRZ 的一半,使得信号遭受的信道损耗大幅减少。然而随着数据率的飞速发展,信道损耗问题越来越严重,制约了 NRZ调制在 100 Gibit /s 以上高速串口中的应用。在这种情况下,PAM4 逐渐取代 NRZ,其奈奎斯特频率是 NRZ 的一半,成为超高速串口的主流调制方式。而 Duo-binaryPAM4 编码在 PAM4 的基础上,其奈奎斯特频率更是PAM4 的一半,如图 2 所示( 112 Gibit /s Duo-binary PAM4信号的奈奎斯特频率为14 GHz,而 PAM4 信号为 28 GHz,NRZ 信号为56 GHz) ,这带来了以下好处: 1) 使得信号遭受的信道损耗大幅减少,56 Gibit /s NRZ 信号在奈奎斯特频率处的损耗高达 70 dB,PAM4 信号降低为 36. 16dB,而 DB-PAM4 信号降低到了 20. 9 dB,如图 3 所示; 2)信号接收端采用同样的采样率可以获得更多的采样点,数据精度提高。
图 4 所示为 NRZ 信号转换成 DB 信号的线性模型。将两个相邻不相关的码元变成相关的三电平 DB信号。DB 信号进行传输时会出现差错传递,因此,在进行双二进制转换前加入预编码电路来消除前后码元的相关性。
预编码实现模二相加运算,将输入的二进制序列{ bn } 预编码成为序列{ dn } ,即
电平转换将经过预编码的{ dn } 序列由单极性{ 0,1} 转化为双极性码{ an } 序列{ - 1,1} ,实现功能
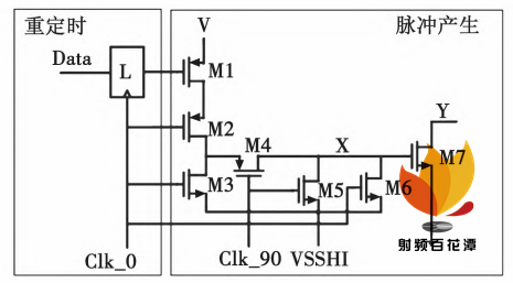
高速的合路器设计是 SerDes 发射机设计的关键,合路器必须要提供充足的时序裕度以保证时序的正确性。传统的 1 /2 速架构合路器留给数据建立和保持的时间只有 1UI,当数据率达到 100 Gibit /s 时,1UI仅为 10 ps,为了扩展时序裕度,设计了基于 4∶ 1 合路器的 1 /4 速架构,合路器的结构如图 5 所示。其时钟频率是输出频率 56 Gibit /s 的 1 /4 即 14 GHz。每个脉冲产生单元在 2 个相差 90°相位且周期是 4UI 宽度周期的时钟驱动下产生 1UI 的数据输出脉冲。这 4 个相同的脉冲产生单元然后在流水线 路高速的数据流输出。
图 6 给出了 4∶1 MUX 的仿真输出眼图。从仿真结果可以看出,该结构的输出眼宽大约是 17. 8 ps,且 4只眼睛均匀,最大抖动为 225 fs。
驱动器有两种基本结构,即电流模驱动( Current-Mode Logic,CML) 和电压模驱动( Source-Series Termi-nated,SST) 。在输出相同摆幅时,电压模驱动所需的电流仅为电流模驱动的 1 /4。在高速情况下,电压模式驱动器比电流模式驱动器更快,线性度更好,并提供更好的垂直和水平眼开口,因此,本文采用 SST 驱动电路实现 112 Gibit /s DB-PAM4。SST 电路的输出阻抗由串联电阻和反相器输出阻抗决定。每条支路并联输出阻抗设定为 50 Ω,以实现阻抗匹配。为了实现 SST 驱动的输出阻抗的校准,本文采用结构如图 7 所示的输出阻抗校准电路。
该电路将传统的 SST 驱动电路分成 N 个相同、并联连接的子单元,其中 K 个子单元是导通的( K < N) ,导通单元的总输出阻抗等于传输信道的阻抗。当输出阻抗大于传输信道的特征阻抗时,增多 K 的数量,即导通关断的子单元; 反之,减少 K 的数量。这样的校准电路不仅可以有效调节输出阻抗,并且不消耗电压裕度。
本文发射机是基于 CMOS 28 nm 工艺进行设计的。设计验证时,采用伪随机码作为并行输入数据,采用锁相环( PLL) 产生 14 GHz 的时钟作为原输入信号并进行的分频处理给各模块提供对应的时钟,进行仿真验证得到发射机的眼图,如图 8 所示。
本文基于 CMOS 28 nm 工艺,设计了一款数据率为 112 Gibit /s 的 Duo-binary PAM4 发射机。1 /4 速架构的 4∶ 1MUX 模块采用 CML 结构,驱动电路采用输出阻抗可调整的电压模驱动,采用 64 bit 的伪随机码作为输入数据,建立仿真测试环境。仿真测试结果表明,当发射机工作在 112 Gibit /s 时,MUX 电路功能正确,设计的发射机能工作于设计的速率,符合设计要求。
从与其他发射机性能的对比结果可以看出,本文设计的发射机与先进的 10 nm 工艺设计相比,眼高有着更好的性能,与相近的 40 nm 工艺比,也有着功耗低的优势。
本号对所有原创、转载文章的陈述与观点均保持中立,推送文章仅供读者学习和交流。文章、图片等版权归原作者享有。
平台声明:该文观点仅代表作者本人,搜狐号系信息发布平台,搜狐仅提供信息存储空间服务。
